招聘5人1个岗位
新余市渝水区
专业森林消防救援大队
2025年政府专职森林消防员
招聘公告
为进一步加强新余市渝水区专业森林消防员队伍建设,充实森林消防救援力量,提升综合应急救援能力,新余市渝水区专业森林消防救援大队现面向社会公开招聘5名政府专职森林消防员(实行定岗定编不定人)。有关事项公告如下:
一、招聘岗位及工作地点
(一)招聘岗位和人员
森林消防队员5名(男性)
(二)工作地点
渝水区应急管理局专业森林消防大队
二、招聘对象资格条件
(一)基本条件
1.遵守宪法和法律,拥护中国共产党领导和社会主义制度,热爱森林消防救援事业,有较强的事业心和责任感,具有良好的职业道德,品行端正,无违法乱纪行为,符合岗位所需的身体条件。
2.新余市户口(含农村户口),高中及以上文化程度,政治审查、体格检查符合《中华人民共和国兵役法》规定的公民。
(二)岗位条件
1.专职森林消防员岗位:男性,年龄18周岁以上至30周岁以下(1995年10月1日至2007年9月30日出生),身高170cm(含)以上,双眼裸眼视力4.8以上,符合军人体型达标标准(体质指数)BMI=体重(千克)/身高(米)的平方,BMI合格范围18.5~23。退役军人、有写作能力、具有2年以上灭火救援实战经验的政府专职消防员、拥有B2及以上驾驶证以及全日制本科以上毕业生可放宽至32周岁。
三、招聘工作程序
(一)报名方式、时间与相关事项
1.报名方式:现场报名。
2.报名时间:从公告之日起接受咨询,集中报名时间10月13日至10月15日(报名者进行五至八分钟语言交流)。
3.报名地点:新余市渝水区应急管理局五楼指挥中心。
4.报名需带材料:①学历证原件及复印件一份;②身份证原件及复印件一份;③户口本原件及复印件一份;④本人一寸免冠彩色照片3张;⑤自愿加入森林消防救援队伍申请书一份。备注:如是退役军人报考须提供退伍证或复员证原件及复印件各一份。
(二)资格审查
现场报名过程中一并进行。
(三)考试
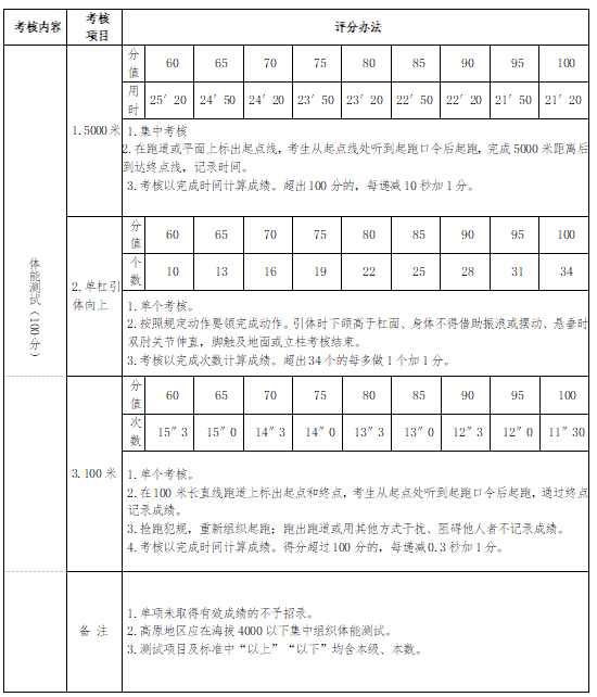
考试分为体能测试和心理测试两项。
1.体能测试:按照《江西省森林消防救援总队专职消防员招录体能测试、岗位适应性测试项目及标准》(附件1)执行。体能测试实行量化评分,低于有效成绩60分的不予招录。岗位适应性测试单项成绩须在“一般”标准以上。
2.心理测试:心理测试采用消防员招录心理测查系统进行,由系统自动评判“合格”或“不合格”,心理测试不合格人员不予招录。
(四)政治审查
按照《中华人民共和国兵役法》有关要求进行,不符合政治审查有关规定的不予以招录。
(五)体格检查
按照《应征公民体格检查标准(陆勤人员)》有关要求执行,不合格的不予以招录。
四、人员聘用与待遇
1.招聘全程公开、全程录像、接受社会监督,体检、政审合格的考生按考试总成绩从高分到低分排名确定拟聘用人员名单。
2.试用期为3个月(含集中培训2个月),试用期工资3800元/月,期满合格后正式聘用,由用人单位与其签订三年的劳动合同,到期后经考核合格可续签劳动合同。
3.落实《关于全省政府专职消防队员工资及福利待遇标准的通知》(赣应急字〔2019〕78号),工资待遇5500元/月(基本工资4700元,高危职业补助800元,含“五险一金”)以上,并逐年增长。
4.实行准军事化管理,按照《江西省政府专职消防救援人员管理实施办法》管理。
五、其他有关事项
1.招聘全程公开、全程录像,接受社会监督。
2.报考人员必须对本人提供的证件和有关资料的真实性负责,若有虚假,一经查实,取消其资格。后果严重者,追究相关责任。
3.招聘的有关情况在“渝水发布”微信公众号、“渝水区人民政府网”等公布。
4.考生必须保持联系渠道畅通。
新余市渝水区专业森林消防救援大队咨询电话:
0790-7130110
附件1:渝水区专业森林消防救援大队专职消防员招录体能测试、岗位适应性测试项目及标准

附件2:渝水区专业森林消防救援大队消防员报名表

